80~89mm Series80x80x15mm

型號:ME80151V1-0000-A99

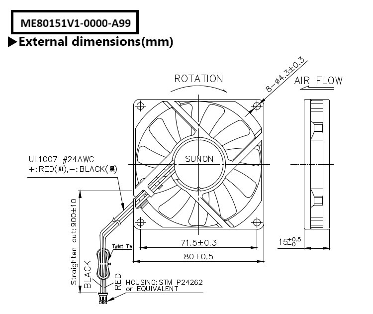
ME80151V1-0000-A99

Rated Voltage:12 VDC
Rated Current:163 mA / Max. 188mA
Rated Power Consumption:1.96 WATTS / Max.2.26 WATTS
Rated Speed:3000RPM ± 10%
Acoustic Noise:34.7 dB(A)
Air Flow:37.0 CFM

產品規格